Analog First Order Filters

First order analog filters depend on one of two things:

an inductor or a capicitor. Although we did not actually use these particular components, as much as Sam wanted to, it is these components that make analog filters work. We decided on active rather than passive filters because they give better results.

Schematics and Graphs

Lowpass Filter:


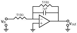
Highpass Filter:


To give those not familiar with analog circuits (or maybe its just been a really long time) an idea of what we wired together we have included some pictures of our breadboard with our first order lowpass filters.


Ooh, look! An Op-Amp.


I think I see some filters.


Lowpass, highpass, yup. There they are.


One more time.