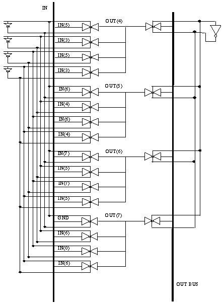
Basic Logic Diagram (Bottom)


Back to the Table of Contents