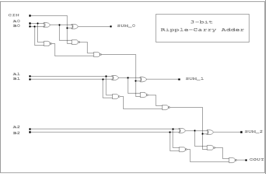
3-Bit Ripple Carry Adder


Last modified: Mon Nov 22 23:12:41 CST 1999