PCB Documentation



Subsections

RoboBoard Version 4.1
Battery Charger Board
Infrared Beacon Board

Printed Circuit Board Documentation

This section contains the schematics and printed circuit board artwork for the ELEC 201 printed circuit boards. Electrical circuit schematics were drawn using the the Viewlogic Systems PowerView CAD suite of tools. Printed circuit board artwork was created using the PADS Perform PCB design suite.

The printed circuit board artwork is provided to facilitate debugging; these diagrams are not sufficiently accurate to serve as master artworks for fabricating new printed circuit boards. The layouts are reproduced at approximately actual size. Gerber and Postscript versions of the printed circuit board artworks are available on request.

 

the RoboBoard
the Battery Charger Board
the Infrared Beacon Board

 

RoboBoard Version 4.1


 

Figure B.1: RoboBoard Schematic, Page 1



 

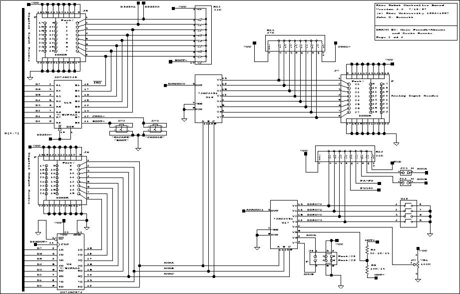
Figure B.2: RoboBoard Schematic, Page 2
\begin{figure}
\centerline{
\psfig {figure=pcboard/nb-97.002p,height=8in}
}\end{figure}



 

Figure B.3: RoboBoard Schematic, Page 3
\begin{figure}
\centerline{
\psfig {figure=pcboard/nb-97.003p,height=8in}
}\end{figure}



 

Figure B.4: RoboBoard Schematic, Page 4
\begin{figure}
\centerline{
\psfig {figure=pcboard/nb-97.004p,height=8in}
}\end{figure}



 

Figure B.5: RoboBoard, Component Side
\begin{figure}
\centerline{
\psfig {figure=pcboard/robo4_1-layer1.PS}
}\end{figure}



 

Figure B.6: RoboBoard, Ground Plane
\begin{figure}
\centerline{
\psfig {figure=pcboard/robo4_1-layer2.PS}
}\end{figure}



 

Figure B.7: RoboBoard, Power Plane
\begin{figure}
\centerline{
\psfig {figure=pcboard/robo4_1-layer3.PS}
}\end{figure}



 

Figure B.8: RoboBoard, Solder Side
\begin{figure}
\centerline{
\psfig {figure=pcboard/robo4_1-layer4.PS}
}\end{figure}



 

Figure B.9: RoboBoard, Silkscreen
\begin{figure}
\centerline{
\psfig {figure=pcboard/robo4_1-silk.PS}
}\end{figure}


Battery Charger Board


 

Figure B.10: Battery Charger Schematic
\begin{figure}
\centerline{
\psfig {figure=pcboard/batt2-2.001p,height=8in}
}\end{figure}



 

Figure B.11: Battery Charger Board
\begin{figure}
\centerline{
\psfig {figure=pcboard/batt98all.PS}
}\end{figure}


Infrared Beacon Board


 

Figure B.12: IR Beacon Schematic
\begin{figure}
\centerline{
\psfig {figure=pcboard/ir97-2.001p,height=8in}
}\end{figure}



 

Figure B.13: Infrared Beacon Board (not to scale)
\begin{figure}
\centerline{
\psfig {figure=pcboard/ir98all.PS,height=8in}
}\end{figure}