[Go to first, previous, next page]

3  Circuit Design

3.1  Logic Diagrams

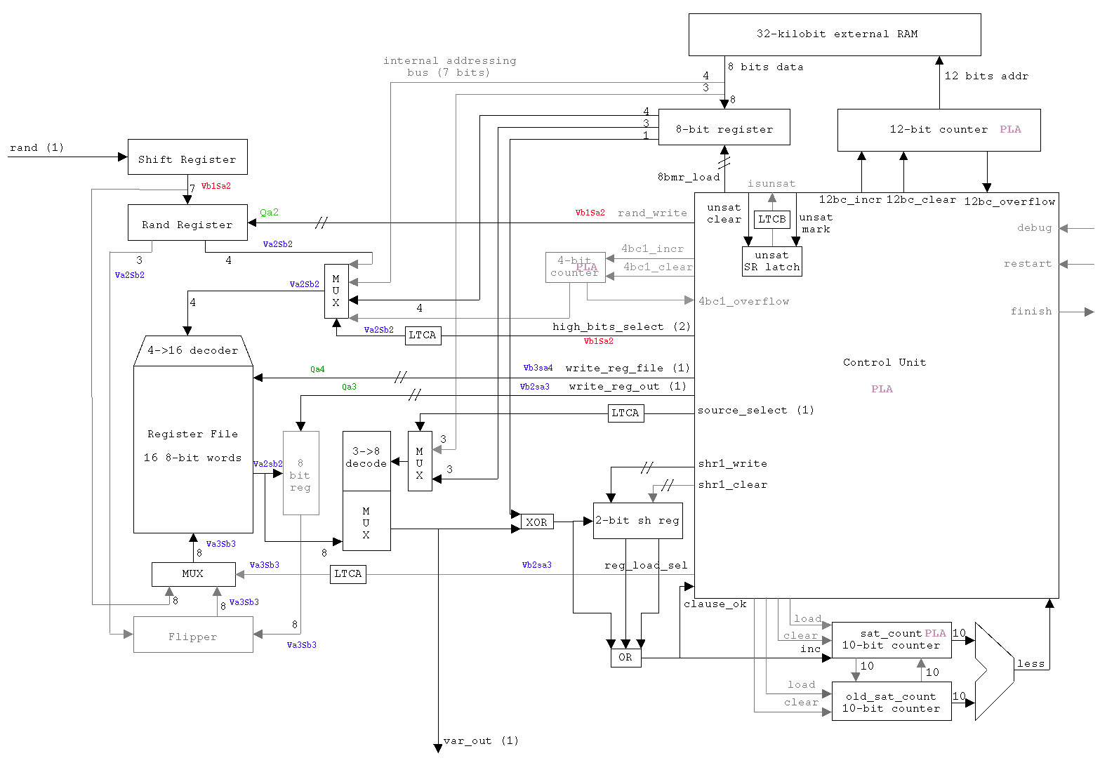
The block diagram (large gif)

3.2  System Timing Diagrams

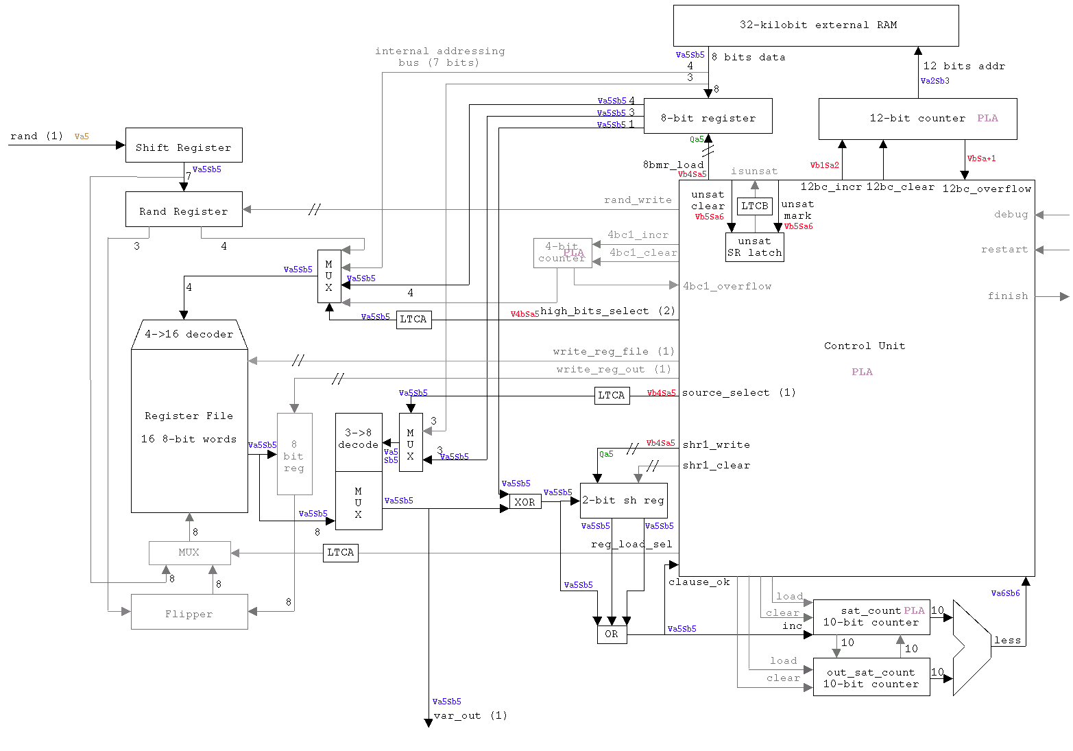
A diagram illustrating the timing for the operation of evaluating a clause. (large gif)

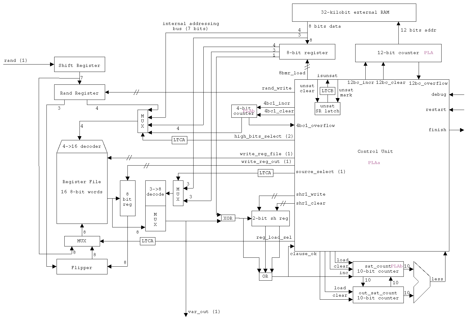
Another diagram showing the process of flipping a bit. (large gif)

[Go to first, previous, next page]